產品介紹
適用范圍 HD系列、HS系列開啟式刀開關及刀形轉換開關(以下簡稱開關)適用于交流50Hz,額定電壓至380V、直流至220V,額定電流至3000A的成套配電裝置中,作為不頻繁地手動接通和分斷交、直流電路或作隔離開關用。其中:
1.1中央手柄式的開關主要用于動力站,不切斷帶有電流的電路,作為隔離開關之用。
1.2側方正面杠桿操作機構式開關主要用于正面操作、前面維修的開關柜中,操作機構可以在柜的兩側安裝。
1.3中央正面杠桿操作機構開關主要用正面操作、后面維修的開關柜中,操作機構裝在正前方。
1.4側面操作手柄式開關,主要用于動力箱中。
1.5裝有滅弧室的開關可以切斷適當的電流負荷,其他系列刀開關只做隔離開關使用。
本產品符合IEC60947-3 GB14048.3標準
型號及含義

正常工作條件和安裝條件
1周圍空氣溫度不高于+40°C,不低于-5°C。
2安裝地點的海拔不超過2000m。
3濕度、最高溫度為+40°C時,空氣的相對濕度不超過50%,在較低的溫度下可以允許有較高的相對濕度,例如20°C時達90%。對由于溫度變化偶爾產生的凝露應采取特殊的措施。
4周圍環境的污染等級為3級。
5開關應安裝在無顯著搖動、沖擊振動和沒有雨雪侵襲的地方;同時安裝地點應無爆炸危險介質,且介質中無足以腐蝕金屬和破壞絕緣的氣體和塵埃。
主要參數及技術性能
1額定工作電壓電流380V、直流220V。
2主要技術性能及參數(見表1)

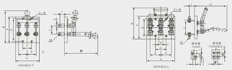
外形及安裝尺寸
板前接線(見圖1、表2)

HD12HD11板后接線(見圖2)
更多產品







